來源:壹芯微 發布日期
2019-10-30 瀏覽:-用8550和8050制作的晶體管小功放電路圖
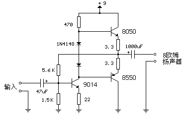
這里介紹一個設計小巧、線路簡單但性能不錯的三管音頻放大器。其電路見附圖。也許你在一些袖珍晶體管收音機可以看到一些與此類似的電路。
原理分析:
電路如圖所示,輸入極(9014)的基極工作電壓等于兩輸出極三極管的中點電壓,一般為電源電壓的一半,這個電壓的穩定由輸出三極管的基極的兩個二極管控制。3.3歐姆電阻串聯在輸出三極管的發射極上,以穩定偏流。以減小環境溫度、不同器件(如二極管、輸出三極管)參數區別對電路的影響。當偏流增加時,輸出三極管發射極與基極間電壓會減小,以減小偏流。此電路輸入阻抗為500歐姆,在使用8歐姆揚聲器時,電壓增益為5。

電路在不失真輸出50mW的功率時,揚聲器上有約2V左右的電壓擺動。增加電源電壓可提高輸出功率,但此時應注意輸出晶體管散熱問題。在9V電源電壓時,電路耗電約30mA。制作時要注意兩個輸出功率管放大倍數應接近。其它器件參數可以參考圖示選擇。 此電路適合于制作成耳機放大器或其它小功率放大器用。由于它是一個很典型的功放電路,所以非常適合初學者學習功放電路原理之余,動手實踐制作時的參考電路。
壹芯微科技針對二三極管,MOS管作出了良好的性能測試,應用各大領域,如果您有遇到什么需要幫助解決的,可以點擊右邊的工程師,或者點擊銷售經理給您精準的報價以及產品介紹
工廠地址:安徽省六安市金寨產業園區
深圳辦事處地址:深圳市福田區寶華大廈A1428
中山辦事處地址:中山市古鎮長安燈飾配件城C棟11卡
杭州辦事處:杭州市西湖區文三西路118號杭州電子商務大廈6層B座
電話:13534146615
企業QQ:2881579535

深圳市壹芯微科技有限公司 版權所有 | 備案號:粵ICP備2020121154號