來源:壹芯微 發布日期
2023-03-15 瀏覽:-正反轉控制電路圖
1、倒順開關正、反轉控制電路圖
倒順開關直接接在主電路中,不適合用作大容量的電動機控制,一般用在額定電流10A、功率3kW以下的小容量電動機控制電路中。
2、接觸器聯鎖正、反轉控制電路圖
接觸器聯鎖正、反轉控制電路的主電路中連接了兩個接觸器KM1和KM2 ,工作安全可靠。

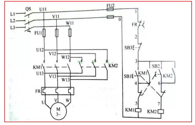
3、按鈕聯鎖正、反轉控制電路
接觸器聯鎖正、反轉控制線路在控制電動機由正轉轉為反轉時,需要先按停止按鈕,再按反轉按鈕,這樣操作較為不便,采用按鈕聯鎖正、反轉控制線路則可避免這種不便。
電路采用兩個復合按鈕SB1和SB2 , SB1代替正轉按鈕和反轉接觸器的常閉輔助觸頭, SB2代替反轉按鈕和正轉接觸器的常閉輔助觸頭。

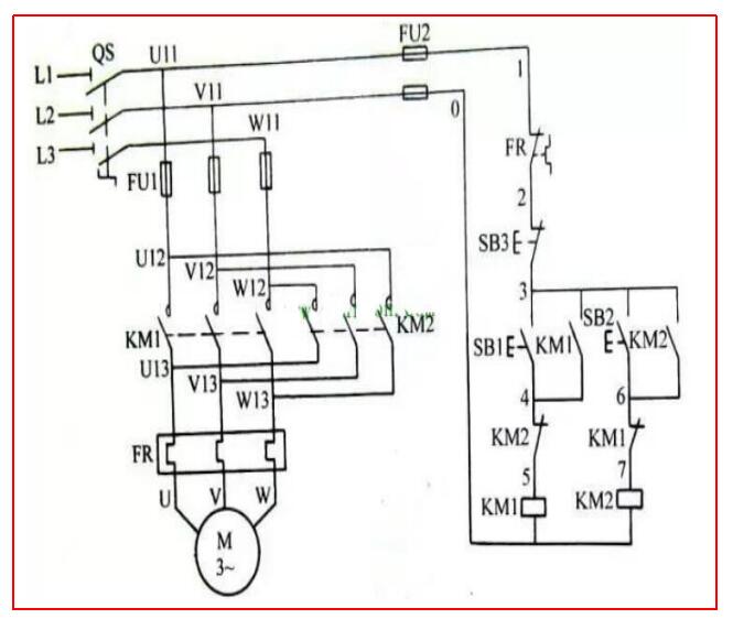
4、按鈕、接觸器雙重聯鎖正反轉控制電路
按鈕、接觸器雙重聯鎖正反轉控制電路可以有效解決按鈕聯鎖正反轉控制電路容易出現兩相電源短路的問題。
在按鈕聯鎖正反轉控制電路的基礎上,將兩個接觸器各自的常閉輔助觸頭與對方的線圈串接在一起,這樣就實現了按鈕聯鎖和接觸器聯鎖雙重保護。
壹芯微科技專注于“二,三極管、MOS(場效應管)、橋堆”研發、生產與銷售,20年行業經驗,擁有先進全自動化雙軌封裝生產線、高速檢測設備等,研發技術、芯片源自臺灣,專業生產流程管理及工程團隊,保障所生產每一批物料質量穩定和更長久的使用壽命,實現高度自動化生產,大幅降低人工成本,促進更好的性價比優勢!選擇壹芯微,還可為客戶提供參數選型替代,送樣測試,技術支持,售后服務等,如需了解更多詳情或最新報價,歡迎咨詢官網在線客服!
手機號/微信:13534146615
QQ:2881579535
工廠地址:安徽省六安市金寨產業園區
深圳辦事處地址:深圳市福田區寶華大廈A1428
中山辦事處地址:中山市古鎮長安燈飾配件城C棟11卡
杭州辦事處:杭州市西湖區文三西路118號杭州電子商務大廈6層B座
電話:13534146615
企業QQ:2881579535

深圳市壹芯微科技有限公司 版權所有 | 備案號:粵ICP備2020121154號