來源:壹芯微 發布日期
2023-04-20 瀏覽:-FET和BJT放大電路的比較介紹
FET和BJT重要特性的比較
1)FET和BJT都有兩個PN結,3個電極。 有如下的對應關系:
柵極g-->基極b 源極s-->發射極e 漏極d-->集電極c
2)都利用兩個電極之間的電壓控制流過第三個電極的電流來實現輸入對輸出的控制。
MOS :柵-源電壓vGS控制漏極iD , iD與vGS之間是平方律關系,為電壓控制器件。
B J T: 基-射極間電壓vBE控制集電極電流iC , iC與vBE之間是指數關系。 為電流控制器件。
3)MOS管的跨導gm不僅與VGSQ和開啟(夾斷)電壓的差值(或IDQ)有關,而且還與其溝道的寬長比W/L 有關。 而BJT的gm 僅與ICQ有關 。
4)這兩類器件的輸出電阻ro都等于Early電壓VA與靜態電流(IDQ或ICQ)的比值。 通常BJT的VA比MOS管的VA大。 意味著 BJT的輸出電阻ro 比MOS管的大。
5)MOS管的Kn與BJT的b 或a具有類似的性質,即它們主要取決于管子的固有參數(如,尺寸、參雜濃度、載流子遷移率等),而與它們所在的電路無關。
FET和BJT放大電路性能的比較
多級放大電路
分類
1、共射-共基放大電路(CE-CB)
2、共集-共集放大電路(CC-CC)
3、共源-共基放大電路(CS-CB)
一般定義
組合放大電路是由三種基本組態放大電路適當組合構成的一種電路結構。
實際應用的放大器,除了要有較高的放大倍數之外,往往還對輸入、輸出電阻及其他性能提出要求。
根據三種基本放大電路的特性,將他們適當組合,取長補短,可以獲得各具特點得組合放大電路。
組合電路的形式很多,主要介紹常用的“共射-共基”和“共集-共射”組合。
組合電路分析
特點:
組合放大電路總的電壓增益等于組成它的各級單管放大電路電壓增益的乘積。
前一級的輸出電壓是后一級的輸入電壓,后一級的輸入電阻是前一級的負載電阻。
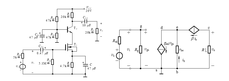
共射-共基放大電路 (CE-CB)
下圖中,T1為共發射極電路,T2為共基極電路,采用直接耦合方式,所以稱為共射—共基組合電路。
共射-共基放大電路圖
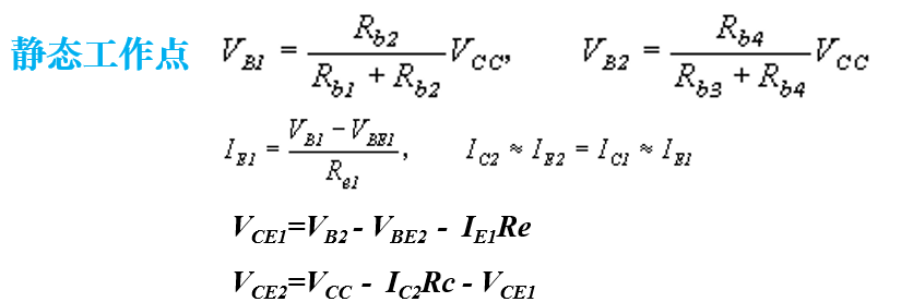
靜態工作點:
電壓放大倍數:
參照上面的共射-共基放大電路圖,可以分析出
輸入、輸出電阻:
從上面的交流通路可以輕易的看出輸入輸出電阻
結論:
雖然組合電路的電壓放大倍數只相當于共射的電壓放大倍數,但它有 較寬的通頻帶 ,在高頻電路中得到廣泛地運用。
共集-共集放大電路 (CC-CC)
下圖中T1和T2均為共集電極電路,采用直接耦合方式,稱為共集-共集組合電路。
共集-共集放大電路圖
電壓放大倍數:
參照上面的共集-共集放大電路圖,可以分析出
輸入、輸出電阻:
從上面的交流通路可以輕易的看出輸入輸出電阻
結論:
輸入電阻更大,輸出電阻更小。
附加:
在下圖中T1和T2 可等效為一只三極管 ,稱為 復合管 ,可等效為一個NPN管, 擴大電流的驅動能力,提高輸入電阻 。 詳細見下圖:
復合管特性:
共源-共基放大電路 (CS-CB)
下圖中T1為共源極電路,T2為共基極電路,采用直接耦合方式,所以稱為共源—共基組合電路。
電壓放大倍數:
參照上面的共集-共集放大電路圖,可以分析出
輸入、輸出電阻:
從上面的交流通路可以輕易的看出輸入輸出電阻
壹芯微科技專注于“二,三極管、MOS(場效應管)、橋堆”研發、生產與銷售,20年行業經驗,擁有先進全自動化雙軌封裝生產線、高速檢測設備等,研發技術、芯片源自臺灣,專業生產流程管理及工程團隊,保障所生產每一批物料質量穩定和更長久的使用壽命,實現高度自動化生產,大幅降低人工成本,促進更好的性價比優勢!選擇壹芯微,還可為客戶提供參數選型替代,送樣測試,技術支持,售后服務等,如需了解更多詳情或最新報價,歡迎咨詢官網在線客服!
手機號/微信:13534146615
QQ:2881579535
工廠地址:安徽省六安市金寨產業園區
深圳辦事處地址:深圳市福田區寶華大廈A1428
中山辦事處地址:中山市古鎮長安燈飾配件城C棟11卡
杭州辦事處:杭州市西湖區文三西路118號杭州電子商務大廈6層B座
電話:13534146615
企業QQ:2881579535

深圳市壹芯微科技有限公司 版權所有 | 備案號:粵ICP備2020121154號