來源:壹芯微 發布日期
2023-04-13 瀏覽:-加減法運算如何用運放實現
1. 加法電路
加法運算的電路如下圖所示,輸出電壓為若干個輸入電壓的比例和:
圖1-02.01
電路工作情況分析如下:
運放的同相輸入端接地,根據虛短特性,運放的反相輸入端的電位也為0,因此三個輸入之路的電流分別為:
由于理想運放的輸入端不能有任何電流流入,因此電流I1、I2、I3會合并后全部流向Rf,根據歐姆定律,輸出端的電壓Vo為:
當配置電阻值為:Rf=R1=R2=R3時,就實現了加法運算:
當配置各個電阻為其他值時,還可以實現比例加法運算,如得到5V1+3V2等等。
2. 差分放大器
在討論減法電路前,我們先了解一下什么是差分放大器(differential
amplifer)。 差分放大器只放大兩個輸入信號的差值,而不放大其公共部分(共模電壓)。 這種特性稱為:共模抑制(common-mode rejection)。
在實際工況中,外部環境的噪聲通常對兩個輸入端的影響是相同的,而差分放大器不會放大這種同時疊加到兩個輸入端的噪聲,因此差分放大器可以比較有效地抵抗這種噪聲的影響。
下圖是一個比較簡單的用運放構成的差分電路:
圖1-02.02
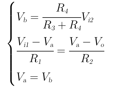
根據理想運放的虛短和0輸入電流特性,可得到同相和反相輸入端的電壓表達式:
根據上面的方程組,可解得:
將上式略作變形,可得:
當配置R1/R2 = R3/R4時,上式可化簡為:
實現了差分放大。
3. 減法電路
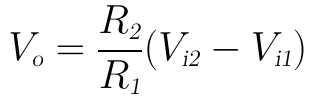
(1)使用差分放大器實現
有多種方法可以實現減法電路,一種就是使用上面的差分放大器,將四個電阻取值為:R1=R2=R3=R4時,上面的輸出電壓就變為了:
因此,上面的差分放大器又被稱為減法器,我們重畫差分減法器如下:
圖1-02.03
(2)使用多個運放實現
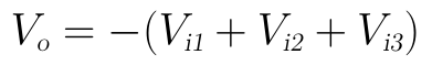
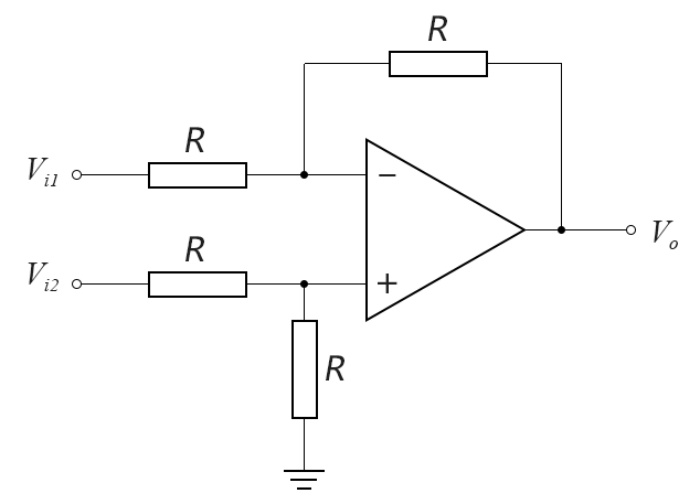
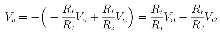
另一種實現減法運算的方法,就是利用前面的反相放大器和加法器級聯,先將要做減法的量用反相放大器做反相,然后再將這個結果作為加法器的一個輸入,與另一個輸入相加,如下圖所示:
圖1-02.04
輸入信號Vi1經過反相放大器后,變為-Vi1,然后再將其與Vi2做加法運算,輸出電壓Vo表達式為:
壹芯微科技專注于“二,三極管、MOS(場效應管)、橋堆”研發、生產與銷售,20年行業經驗,擁有先進全自動化雙軌封裝生產線、高速檢測設備等,研發技術、芯片源自臺灣,專業生產流程管理及工程團隊,保障所生產每一批物料質量穩定和更長久的使用壽命,實現高度自動化生產,大幅降低人工成本,促進更好的性價比優勢!選擇壹芯微,還可為客戶提供參數選型替代,送樣測試,技術支持,售后服務等,如需了解更多詳情或最新報價,歡迎咨詢官網在線客服!
手機號/微信:13534146615
QQ:2881579535
工廠地址:安徽省六安市金寨產業園區
深圳辦事處地址:深圳市福田區寶華大廈A1428
中山辦事處地址:中山市古鎮長安燈飾配件城C棟11卡
杭州辦事處:杭州市西湖區文三西路118號杭州電子商務大廈6層B座
電話:13534146615
企業QQ:2881579535

深圳市壹芯微科技有限公司 版權所有 | 備案號:粵ICP備2020121154號