來源:壹芯微 發布日期
2023-04-13 瀏覽:-MOSFET與光電耦合器的差異介紹
光電耦合器/光耦合器和固態繼電器(光電MOSFET或光耦MOSFET(OCMOS FET))在保持電隔離的同時傳輸信號,但存在一些重要差異。
結構差異
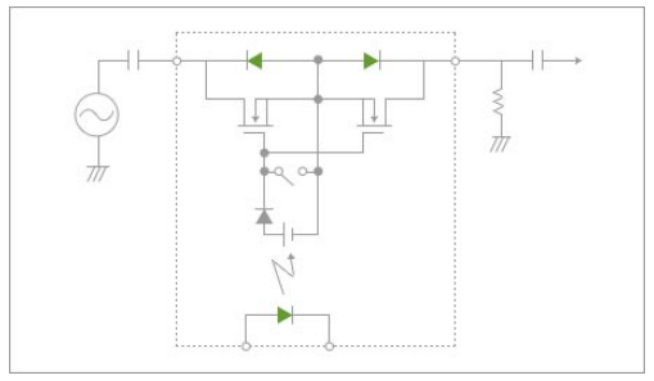
下圖顯示了光電耦合器和OCMOS FET的主要內部結構。
如左邊的光電耦合器所示,當發光二極管(LED)點亮光電晶體管時,光會產生從集電極流向光電晶體管基極的光電流。因此,當LED不亮時,光電晶體管被切斷,當LED強烈點亮時,從集電極流向基極的大光電流,光電晶體管穩定導通。與基極集電極簡單地短路不同,即使集電極-發射極電壓小于晶體管的基極-發射極正向電壓,光電流仍然流動,光電晶體管是導電的。
另一方面,如上圖所示,OCMOS FET集成了光伏電池,當LED亮起時,光伏電池對柵極電容充電以增加柵源電壓,在接通型觸點的情況下打開MOSFET。對于斷斷型觸點,FET在無柵源電壓的情況下具有導電性。然而,當LED點亮時,光伏電池反向偏置柵源電壓,切斷FET。當成組型OCMOS FET關閉時,光伏電池不僅停止充電,而且內部放電開關自動關閉,迫使柵極放電。結果,柵極-源極電壓立即下降。
OCMOS FET中的兩個FET反向串行連接在一起。因此,當OCMOS FET導電時,兩個FET都是雙向導電的。然而,當OCMOS FET不導電時,只有正向的FET與施加的電壓切斷,而另一個FET的寄生二極管導通。
特征差異
由于上述結構差異,光電耦合器和OCMOS FET具有以下特性差異:
1. 雖然光電耦合器在輸出中僅傳導直流(直流電),但OCMOS FET可以在場效應管中同時傳導直流和交流(交流電)
2. 通常,光電耦合器的工作速度以微秒或更快為單位,而OCMOS FET的工作速度則慢至毫秒。
3. 雖然光電耦合器的輸出導通特性因輸入電流值而異,但OCMOS FET的輸出導通特性與輸入電流值無關。
4. 通常和理論上,光電耦合器變得與輸入相對應的導電。但是,OCMOS FET有兩種:一種是傳導的(a觸點:使接型觸點),另一種是當施加輸入時斷開(b觸點:斷點型觸點)。
因此,雖然OCMOS FET不能像光電耦合器那樣高速運行,但OCMOS FET可以用小輸入電流(小至幾毫安)切換交流電和安培范圍內的大電流。
應用差異
通常,光電耦合器僅用于傳輸直流信號。其應用包括傳統數字電路中的脈沖傳輸和開關穩壓器中誤差反饋電路的模擬直流信號傳輸。
脈沖傳輸(在傳統數字電路中)
模擬直流信號傳輸(用于開關穩壓器等的錯誤反饋電路)
另一方面,由于OCMOS FET的工作速度比光電耦合器慢,因此很少用于信號傳輸。然而,由于MOSFET的雙向導通和低導通電阻特性,它主要用作間歇交流信號的“電子開關”。因此,OCMOS FET也稱為固態繼電器(SSR)。
壹芯微科技專注于“二,三極管、MOS(場效應管)、橋堆”研發、生產與銷售,20年行業經驗,擁有先進全自動化雙軌封裝生產線、高速檢測設備等,研發技術、芯片源自臺灣,專業生產流程管理及工程團隊,保障所生產每一批物料質量穩定和更長久的使用壽命,實現高度自動化生產,大幅降低人工成本,促進更好的性價比優勢!選擇壹芯微,還可為客戶提供參數選型替代,送樣測試,技術支持,售后服務等,如需了解更多詳情或最新報價,歡迎咨詢官網在線客服!
手機號/微信:13534146615
QQ:2881579535
工廠地址:安徽省六安市金寨產業園區
深圳辦事處地址:深圳市福田區寶華大廈A1428
中山辦事處地址:中山市古鎮長安燈飾配件城C棟11卡
杭州辦事處:杭州市西湖區文三西路118號杭州電子商務大廈6層B座
電話:13534146615
企業QQ:2881579535

深圳市壹芯微科技有限公司 版權所有 | 備案號:粵ICP備2020121154號