來源:壹芯微 發布日期
2023-11-16 瀏覽:-基于13005晶體管的電源電路圖介紹
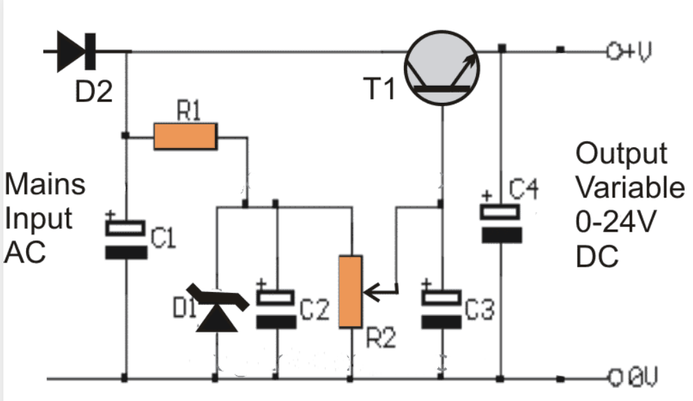
以下文章介紹了一個非常簡單的低電流220V市電供電無變壓器電源電路,該電路使用13005晶體管和少量其他無源電子元件。
工作原理
晶體管T1,它是高壓NPN晶體管13005,形成電路中的主要有源元件。
其余組件僅用于支持 T1 的傳導和所需的穩定性。
該電路可以理解為以下幾點:
電源輸入饋電穿過D2和電路的負線。
D2對市電交流電進行整流,而C1則濾波到一些合理的水平。
R1將電流降至可容忍限值,以便為T1提供所需的基極偏置。
C2對R1之后產生的電壓提供進一步濾波。
D1將T1基極的基極電壓箝位至24V,使得最大輸出電壓永遠不會超過此限值。
輸出端產生始終等于齊納值的鏡像電壓,但是R2的存在使響應變得可變。
通過R2進行的調整有效地將齊納電壓從零到最大值(最高可達24V)變化。
因此,獲得的輸出在24至《》V范圍內可變。
然而,由于電壓是在晶體管的發射極/地上采集的,因此電流被限制在非常適中的水平,準確地說是25mA。
齊納電壓可以增加到任何所需的限值。
警告:整個電路未與電源交流電隔離,因此在未覆蓋和通電時觸摸非常危險。確保您在處理此電路時已保持所有必要的預防措施。
零件清單
R1 = 100k
R2 = 10K 電位器
C1 = 4.7uF/300V C2 = 10uF/100V C3,C4 = 100uF/30V D1 = 24V
1瓦,齊納二極管
D2 = 1N4007
T1 = 13005
壹芯微科技專注于“二,三極管、MOS(場效應管)、橋堆”研發、生產與銷售,21年行業經驗,擁有先進全自動化雙軌封裝生產線、高速檢測設備等,研發技術、芯片源自臺灣,專業生產流程管理及工程團隊,保障所生產每一批物料質量穩定和更長久的使用壽命,實現高度自動化生產,大幅降低人工成本,促進更好的性價比優勢!選擇壹芯微,還可為客戶提供參數選型替代,送樣測試,技術支持,售后服務等,如需了解更多詳情或最新報價,歡迎咨詢官網在線客服!
手機號/微信:13534146615
QQ:2881579535
工廠地址:安徽省六安市金寨產業園區
深圳辦事處地址:深圳市福田區寶華大廈A1428
中山辦事處地址:中山市古鎮長安燈飾配件城C棟11卡
杭州辦事處:杭州市西湖區文三西路118號杭州電子商務大廈6層B座
電話:13534146615
企業QQ:2881579535

深圳市壹芯微科技有限公司 版權所有 | 備案號:粵ICP備2020121154號