來源:壹芯微 發布日期
2022-06-08 瀏覽:-基于CN3705和LM2596的鋰電池充放電系統設計深度解析 | 壹芯微
目前,消費電子產品越來越多,如智能手機、平板電腦、PSP游戲機等電子產品,給人們的生活工作娛樂都提供了極大的方便。然而,這些電子產品都有一個共性的缺點就是自身鋰電池的容量有限,經常因為沒電了,導致我們的電子產品無法使用。為了解決給電子產品續航問題,本文設計了一款集鋰電池充電和放電一體的電路。
1.系統原理設計
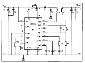
鋰電池是一類由鋰金屬或鋰合金為負極材料、使用非水電解質溶液的電池。可分為兩類:鋰金屬電池和鋰離子電池。鋰離子電池不含有金屬態的鋰,并且是可以充電的。本系統分為三個部分(如圖1所示):CN3705鋰電池充電電路,12V鋰電池,LM2596鋰電池放電電路。可分為兩類:鋰金屬電池和鋰離子電池。鋰離子電池不含有金屬態的鋰,并且是可以充電的。

圖1 系統原理框圖
2.鋰電池充電電路
2.1CN3705芯片簡介
CN3705為降壓模式鋰電池充電芯片,具有恒流恒壓充電方式。對于深度放電的電池,當電池電壓低于設定的恒壓充電電壓的66.7%時,CN3705采用恒流充電電流的15%對鋰電池涓流充電。在恒壓充電階段,充電電流逐漸減小,當充電電流降低到外部電阻設定的值時,充電結束。芯片輸入電壓在12V到28V之間,最大工作頻率為300kHz,輸出最大電流為5。
2.2設計電路

圖2 CN3705構成的鋰電池充電電路
圖2為CN3705構成的鋰電池充電電路,電路結構為buck降壓拓撲結構。輸入電壓在14V到28V之間,電路PWM開關頻率為300kHz,最大輸出電流為1.2A,最大輸出電壓為12.6V。適合給3節串聯3.7V標準鋰電池充電。
圖2中,P溝道MOS管Q1、肖特基D2、電感L1以及電解電容C1構成經典的buck降壓充電電路。Q1的選擇要綜合考慮轉換效率、MOS管的功耗和最高溫度。還要考慮的因素包括導通電阻Rd(on),柵極總電荷Qg,輸入電壓和最大充電電流。MOS管損耗功率計算公式如下所示:

Pd為MOS管功耗,Vbat為輸出電壓,Vcc為輸入電壓,Rd(a)為MOS在室溫下的導通電阻,ICH為充電電流。一般,當輸入電壓小于20V時,MOS管的導通損耗大于開關損耗。所以要選擇導通損耗較小的MOS管。D2為肖特基二極管,二極管流過電流能力要大于充電電流,二極管的耐壓要大于最低輸入電壓。
2.3電感的選著和計算
在正常工作時,瞬態電感電流是周期性變化的。在MOS管導通期間,輸入電壓對電感充電,電感電流增加;在MOS管關斷期間,電感向電池放電,電感電流減小。電感的紋波電流隨著電感值的減小而增大,隨著輸入電壓的增大而增大。有如下經驗公式:

其中f=300kHz開關頻率,?I為電感的紋波電流。在選取電感值時,可將電感紋波電流限制在?I=0.2×ICH,最大電感紋波電流?I出現在輸入電壓最大值和電感最小值的情況下。經計算電感取值
。
2.4工作方式
(1)恒壓充電
如圖2所示,電池端的電壓通過電阻R2和R4構成的電阻分壓網絡反饋到FB管腳,CN3705根據FB管腳的電壓決定充電狀態。當FB管腳的電壓接近2.416V時,充電器進入恒壓充電狀態。在恒壓充電狀態,充電電流逐漸下降,電池電壓保持不變。恒壓充電狀態電池端對應的的電壓為:

其中,Ib是FB管腳的偏置電流,其典型值為50nA。由于電阻R2和R4會從電池消耗一定的電流,在選取R2和R4的電阻值時,應首先根據所允許的消耗的電流選取R2R4的值,然后再根據上式分別計算R2和R4的值。這里R2和R4分別取值為510KΩ和120kΩ,得充電電壓為Vbat=12.71V
(2)恒流充電
恒流充電電流由ICH=200mV/R1決定,R1為連接于CSP管腳和BAT管腳之間的充電電流檢測電阻。R1取值為0.2Ω,所以恒流充電電流設定為ICH=1A。
(3)涓流充電
在充電狀態,如果電池電壓低于所設置的恒壓充電電壓的66.7%,即電池電壓為8.47V,充電器進入涓流充電模式,此時充電電流為所設置的恒流充電電流的15%,即電流為0.15A。
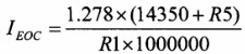
(4)充電結束
在恒壓充電模式,充電電流逐漸減小當充電電流減小到EOC管腳的電阻所設置的電流時,充電結束。充電結束電流由下式決定:

R5為是從EOC管腳到地之間連接的電阻,單位為歐姆。設定充電結束電流為0.1A時,計算出R5=1.3kΩ。
(5)自動再充電
充電結束以后,如果輸入電源和電池仍然連接在充電器上,由于電池自放電或者負載的原因,電池電壓逐漸下降,當電池電壓降低到所設置的恒壓充電電壓的91.1%時(即電壓為11.58V),將開始新的充電周期,這樣可以保證電池的飽滿度在80%以上。
(6)溫度監控
為了監測電池的溫度,采用負熱敏電阻NTC(如圖2電路所示)緊貼電池。當電池的溫度超出可以接受的范圍時,充電將被暫時停止,直到電池溫度回復到正常范圍內。
鋰電池的充電工作溫度在0到45間,這里選取的負熱敏電阻,滿足在25時應該為10kΩ,在上限溫度點時其電阻值應該大約為3.5kΩ(約對應50);在下限溫度點時其電阻值應該大約為32kΩ(約對應0)。
3.LM2596輸出電路
3.1LM2596簡介
LM2596開關電壓調節器是降壓型電源管理單片集成電路,能夠輸出3A的驅動電流,同時具有很好的線性和負載調節特性。該器件內部集成頻率補償和固定頻率發生器,開關頻率為150KHz。此芯片還具有在特定的輸入電壓和輸出負載的條件下,輸出電壓的誤差可以保證在±4%的范圍內,振蕩頻率誤差在±15%的范圍內;可以用僅80μA的待機電流,實現外部斷電;具有自我保護電路(一個兩級降頻限流保護和一個在異常情況下斷電的過溫完全保護電路)。
技術特點
●3.3V、5V、12V的固定電壓輸出和可調電壓輸出
●可調輸出電壓范圍1.2V~37V±4%
●輸出線性好且負載可調節?
●輸出電流可高達3A??
●輸入電壓可高達40V
●采用150KHz的內部振蕩頻率,屬于第二代開關電壓調節器,功耗小、效率高
●低功耗待機模式,IQ的典型值為80μA?
●TTL斷電能力
●具有過熱保護和限流保護功能
●外圍電路簡單,僅需4個外接元件,且使用容易購買的標準電感

圖3 LM2596內電路框圖
3.2輸出電路部分
LM2576有多種型號,這里選擇固定輸出5V的LM2596芯片。此電路構成非常簡單,如電路圖4。只需要輸入電容C10、C11,肖特基二極管D3,電感L2,輸出電容C12、C13即可。

圖4 LM2576放電電路
輸入濾波電容,輸入耐壓和電流均方根是輸入電容的重要參數。當LM2596輸入電壓為12V時,鋁電解電容的耐壓壓大于18V(1.5&TImes;Vin)。輸入電容電流的均方根為輸出負載電流的一半,為1.5A。根據圖5所示,在曲線中,680μF/35V的電解電容滿足要求。
輸出濾波電容一般選擇耐壓值為10V的電解電容既可以,為了得到輸出較小的紋波,輸出電容盡量選擇大點。這里選擇電容值為220uH的電解電容,輸出紋波即可在1%之內。

圖5 電解電容耐壓值,電流均方根,電容值關系
肖特基二極管D3這里選擇5A/20V的IN5823既可以產生較好的效果。而且短路時也不會產生過載。
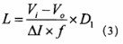
輸出電壓占空比:D1=Vo/Vi=5/12=0.417
電感L2由公式:

計算得L2=324uH,其中Vi為輸入電壓,?I為輸出紋波電流,f為開關頻率。
小結
經過測試此電路系統可以正常穩定工作,CN3705鋰電池充電電路工作效率可以達到91.0%;LM2596放電電路工作效率,當輸出1.0A電流時工作效率可達84%,輸出電路2.1A時,電路工作效率可達82.3%,當輸出3.0A電路時電路工作效率為79%。且輸出電壓紋波均小于2%。
壹芯微科技專注于“二,三極管、MOS(場效應管)、橋堆”研發、生產與銷售,20年行業經驗,擁有先進全自動化雙軌封裝生產線、高速檢測設備等,研發技術、芯片源自臺灣,專業生產流程管理及工程團隊,保障所生產每一批物料質量穩定和更長久的使用壽命,實現高度自動化生產,大幅降低人工成本,促進更好的性價比優勢!選擇壹芯微,還可為客戶提供參數選型替代,送樣測試,技術支持,售后服務等,如需了解更多詳情或最新報價,歡迎咨詢官網在線客服!
手機號/微信:13534146615
QQ:2881579535
工廠地址:安徽省六安市金寨產業園區
深圳辦事處地址:深圳市福田區寶華大廈A1428
中山辦事處地址:中山市古鎮長安燈飾配件城C棟11卡
杭州辦事處:杭州市西湖區文三西路118號杭州電子商務大廈6層B座
電話:13534146615
企業QQ:2881579535

深圳市壹芯微科技有限公司 版權所有 | 備案號:粵ICP備2020121154號