來源:壹芯微 發布日期
2022-06-07 瀏覽:-基于LM2596的不間斷直流電源設計詳細介紹 | 壹芯微
不間斷直流電源是將蓄電池(多為鉛酸免維護蓄電池)與主機相連接,通過主機逆變器等模塊電路將直流電轉換成市電的系統設備。本文提出了一種基于LM2596的不間斷直流電源設計方案。其目的是在主電源斷電時,電路通過繼電器自動將蓄電池切入,給設備供電。在主電源正常時,以不同模式給蓄電池充電:當電壓大于設定值時,恒壓充電;當電壓低于設定值時,恒流充電。測試結果證明該系統可以通過繼電器對電路進行過流保護與欠壓保護。

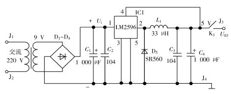
圖1 不間斷直流電源
1.設計方案的指標
該設計方案的指標要求:蓄電池為4.2V,負載為5V。為此利用開關電壓調節器LM2596進行DC-DC變換,具有驅動能力強,線性較好的特點。該不間斷直流電源的主要特點如下:主電源正常時,除可以給設備供電外,還可以以不同模式給蓄電池充電,當電壓大于4.2V時,切斷恒流充電電路,接通恒壓充電電路;當電壓低于4.2V時,保持恒流充電;恒壓充電由W117和運放LM324構成,具有輸出穩定,波紋小等特點。恒流充電由大功率場管IRF640和運放LM324組成,具有輸出電流精度高,紋波小,輸出電流受負載影響小等特點;若主電源斷電,則自動將蓄電池切入,保持電源不間斷。
2.系統設計方案
2.1系統總體框圖
根據系統設計要求,該不間斷直流電源具有:在無交流電源時,不間斷給設備供電;交流電源正常時,有恒壓充電和恒流充電兩種模式;綜合設計要求,形成系統框圖如圖2所示。

圖2 系統總體框圖
2.2DC-DC變換器方案的選擇
采用開關電壓調節器LM2596,能夠輸出3A的驅動電流,同時具有很好的線性和負載調節特性,可固定輸出3.3V,5V,12V三種電壓,也可實現在1.2~37V之間的可調輸出。
該器件內部集成頻率補償和固定頻率發生器,開關頻率為150kHz,與低頻開關調節器相比較,可以使用更小規格的濾波元件。由于該器件只需4個外接元件,可以使用通用的標準電感,這更簡化了LM2596的使用,極大地簡化了開關電源電路的設計。在特定的輸入電壓和輸出負載的條件下,輸出電壓的誤差可以保證在±4%的范圍內,振蕩頻率誤差在±15%的范圍內。可以用僅80μA的待機電流,實現外部斷電;具有自我保護電路(一個兩級降頻限流保護和一個在異常情況下斷電的過溫完全保護電路)。其特性如下:
.輸出電壓:3.3V、5V、12V及(ADJ)等,最大輸出電壓37V
.工作模式:低功耗/正常兩種模式。可外部控制
.工作模式控制:TTL電平相容
.所需外部組件:僅四個(不可調);六個(可調)
.器件保護:熱關斷及電流限制
DC-DC變換器電路如圖3所示。

圖3 DC-DC變換器電路圖
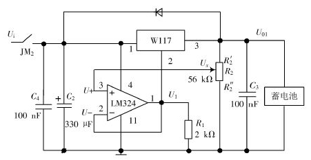
2.3恒壓充電電路設計
恒壓充電電路如圖4所示,電路由運放LM324和三端穩壓器W117構成。LM324連接成電壓跟隨器,其輸出電壓U1=U-=U+=UX,可見輸出電壓可通過調節電阻R2中間抽頭來改變。由于運放的存在,使輸出電壓的調整非常平穩。

圖4 恒壓充電電路
2.4壓控恒流充電電路設計
電路原理如圖5所示。該恒流源電路由運放LM324、場效應管IRF640、采樣電阻R3、負載電阻RL等組成。

圖5 壓控恒流充電電路
電路采用大功率場效應管IRF640作為調整管,該管為N溝道增強型MOS管,該管工作電壓最高可達100V,飽和漏極電流可達28A,功耗約為150W.當場效應管工作于飽和區時,漏極電流Id近似為電壓Ugs控制的電流。即當Ud為常數時,滿足:Id=f(Ugs),只要Ugs不變,Id就不變。
在此電路中,R2為康銅絲材料的取樣電阻(阻值隨溫度的變化小)。OP07作為電壓跟隨器,有U+=U-=Us,由于柵極電流可忽略不計,因此Id=Is=I2=UsR2=U+R2.正因為Id=U+R2,電路輸入電壓U+控制電流Id,即Id不隨RL的變化而變化,從而實現壓控恒流。圖4中參數充電電流為200mA.若要改變充電電流,只需調整R2即可。
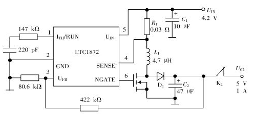
2.5直流升壓電路設計
設置直流升壓電路的目的是將4.2V升壓為5V.直流升壓器的電路如圖6所示,電路主要由新穎的DC-DC升壓變換集成電路組成。

圖6 升壓電路
LTC1872是一種超小型DC-DC直流變換集成電路,效率高達90%,低功耗狀態電流為270μA,本電路實現輸入4.2V直流電壓變換為輸出5V、最大負載電流為1A的直流電壓。該電路輸出電壓精度可為±4%.
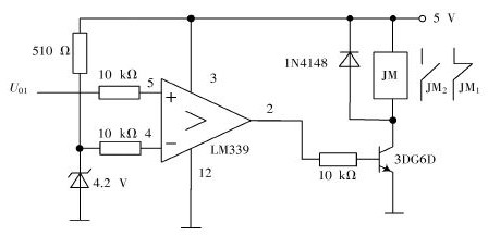
2.6電壓采樣電路設計
電壓采樣電路如圖7所示。當充電電壓U01》4.2V時,T1導通,繼電器常閉觸點JM1斷開,常開觸點JM2接通恒壓充電電路;當充電電壓U01《4.2V時,T1截止,繼電器常閉觸點JM1接通,恒流充電電路工作,常開觸點JM2斷開,恒壓充電電路不工作。

圖7 電壓采樣電路
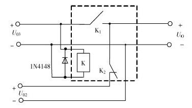
2.7繼電器切換電路
切換電路采用繼電器控制,簡潔易控,性價比高,電路如圖8所示。電網電壓正常時,繼電器吸合K1接通,K2斷開,由LM2596供電;當電網斷電時,繼電器釋放K1斷開,K2閉合,由蓄電池供電。選用的繼電器型號為HRS2H-S-DC5V-N,線圈額定工作電壓為5V,觸點最大耐壓值直流電壓為24V,電流為3A.

圖8 切換電路
3.系統測試
3.1電源電路測試
當Ui在176~253V時,在經過隔離變壓器,整流濾波及LM2596變換器時,U03可達到5.1V、I0為1A.同時在滿載的條件下,電壓的最大調整率為0.24%.當Ui為176V時,在空載到滿載的條件下,整個負載的調整率可達到1%.
當在滿載時,它的紋波電壓≤5mV.在測試滿載條件整個電路的效率時,它的最低效率可達到70%.
3.2充電電路測試
恒流、恒壓充電測試:經測試充電電路能夠在滿足恒流(200mA)充電時,當電壓達到4.2V時,會自動改為恒壓(5V)進行充電。
同時蓄電池向升壓電路供3~4.2V電壓時,經過LTC1872升壓電路,可達到U02=5V,I0=1A,便可保證經過切換電路向用電設備提供足夠的電源。
3.3升壓電路測試
升壓電路測試結果如下:
升壓電路測試結果
從測試結果看出,升壓電路工作正常。
結語
本方案所設計的不間斷直流電源,主要是利用LM2596和W117等芯片,較成功地實現了設計要求的功能,電路易于實現,測試結果表明電路性能較好,符合系統方案設計要求,整體性能穩定,具有較好的應用價值。
壹芯微科技專注于“二,三極管、MOS(場效應管)、橋堆”研發、生產與銷售,20年行業經驗,擁有先進全自動化雙軌封裝生產線、高速檢測設備等,研發技術、芯片源自臺灣,專業生產流程管理及工程團隊,保障所生產每一批物料質量穩定和更長久的使用壽命,實現高度自動化生產,大幅降低人工成本,促進更好的性價比優勢!選擇壹芯微,還可為客戶提供參數選型替代,送樣測試,技術支持,售后服務等,如需了解更多詳情或最新報價,歡迎咨詢官網在線客服!
手機號/微信:13534146615
QQ:2881579535
工廠地址:安徽省六安市金寨產業園區
深圳辦事處地址:深圳市福田區寶華大廈A1428
中山辦事處地址:中山市古鎮長安燈飾配件城C棟11卡
杭州辦事處:杭州市西湖區文三西路118號杭州電子商務大廈6層B座
電話:13534146615
企業QQ:2881579535

深圳市壹芯微科技有限公司 版權所有 | 備案號:粵ICP備2020121154號