來源:壹芯微 發布日期
2022-06-21 瀏覽:-基于LM339電壓比較器的蓄水池水位計設計知識介紹 | 壹芯微
有些單位和生活區由于供水不足,須先向蓄水池蓄水,再用定時方式供水。這樣,泵工須在泵房內隨時了解蓄水池的水位(一般蓄水池離泵房十幾米)。以前曾用銅棒或不銹鋼等材料做成電極探測水池水位,但由于電蝕使用后不久就失去了電極的作用。因此,本文介紹了一種利用LM339電壓比較器制作蓄水池水位計的方法該設計根據水位高低,進行信號處理,控制多個電壓比較器輸入端的電位,使其輸出端有相應的變化,從而驅動不同的LED發光管,達到顯示水位高低的效果。
1.LM339概述
LM339是四電壓比較器集成電路,內部裝有四個獨立的電壓比較器,主要應用于高壓數字邏輯門電路。雙列直插14腳封裝;最高工作電壓±18V;功耗=265mW。由于LM339使用靈活,應用廣泛,所以世界上各大IC生產廠、公司競相推出自己的四比較器,如IR2339、ANI339、SF339等,它們的參數基本一致,可互換使用。
主要特點
(1)失調電壓小,典型值為2mV;
(2)電源電壓范圍寬,單電源為2-36V,雙電源電壓為±1V-±18V;
(3)對比較信號源的內阻限制較寬;
(4)共模范圍很大,為0~(UCC-1.5V)Vo;
(5)差動輸入電壓范圍較大,大到可以等于電源電壓;
(6)輸出端電位可靈活方便地選用。

圖1 lm339內部結構圖

圖2 lm339工作電路圖
2.電路設計原理
水位計的主要電路由4個LM339電壓比較器組成,這種集成電路具有易購、價格低廉,且可單電源工作、差動范圍寬等特點。每個LM339有4個各自獨立的電壓比較器(本設計采用15個),其正負輸入端之間只要10mV的電位差,其輸出端就能由一種狀態可靠地轉換到另一種狀態。當正輸入端比負輸入端高出10mV時,其輸出端呈高電平;當負輸入端比正輸入端高出10mV時,其輸出為低電平,并可直接驅動LED。為使LM339的輸出端有高低電平的變化,在具體使用中,一般都在輸出端與正電源之間加一適當電阻,這個電阻稱為上拉電阻。即當LM339輸出端呈高阻態時,由該電阻把輸出端的電位拉起來。

圖3 水位計原理框圖
該裝置的原理框圖如圖3所示,其電壓信號測量由干簧管和分壓電阻組成,懸浮在水中的環形磁鋼處在不同的位置上,應用電磁感應原理,令相應的干簧管常開觸點閉合,使相應的分壓電阻接入,電路拾取不同的電壓信號。比較器負輸入端電位由固定的分壓電阻構成,被測電壓信號與設定的電位進行比較處理,驅動LED以顯示水位的高低,并在到達最高水位時報警,提醒泵工停止注水,以防止水溢出,具體電路如圖4所示。

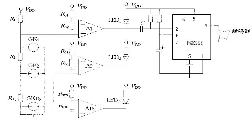
圖4 水位計電路圖
圖4中,電源為+12V,把池深分為15段進行顯示。圖中A1~A15是由LM33組成的電壓比較器;GK1~GK15是干簧管,當環形磁鋼靠近某個干簧管時常開觸點閉合;由電阻R1~R15組成的分壓電路決定了各比較器的正輸入端的電位;而電阻R01~R030組成的分壓電路決定了各比較器的負輸入端的電位。各負輸入端的電位確定后是固定不變的。LM339的正輸入端電壓因磁鋼處在不同的位置而變化著。當懸浮水面的磁鋼靠近某個干簧管時,由于R1,R2,...,R15的分壓作用,使A1,A2,...,A15各比較器的正輸入端有不同的輸入,此信號與比較器負輸入端設定的電位比較之后,就會有相應的輸出。從圖2看,當GK1吸合時,相當于托著磁鋼的浮子處在上極限水位,各比較器的正輸入端等于地電位,均低于它們的負輸入端,所以輸出端都是低電平,使各LED都點亮。此時A1的輸出由高電平降為低電平,通過電容C觸發NE555。NE555接成單穩態電路,一旦被觸發,其3腳將輸出一高電平,帶動蜂鳴器報警,其延續時間由接在6、7腳的阻容元件決定。當GK2吸合時,應該使LED2~LED15點亮而LED1熄滅。此時各比較器的正輸入端電位高于A1的負輸入端電位,低于A2~A15負輸入端的電位,其他以此類推。
3.器件的選用
a.設定各比較器的負輸入端電位為Vsh。
對各比較器的負輸入端電位,根據電源和水深分成的段數進行人為的設定。因為已將池深分為15段進行顯示,所以自2.0V起,每個相鄰負輸入端之間相差0.4V,如表1中第1行所示。
b.選定各比較器負輸入端與電源間的電阻,即分壓電阻R01=R03==R029=20kΩ,設為R。
c.計算出各比較器負輸入端對地電阻R02,R04,...,R030,為Rr。設負輸入端對地電阻為Rr,各負輸入端的電位為Vsh,根據電路圖4有:

由此式可得

例如,要使電壓比較器A1負輸入端電位為Vsh=2V,則根據式(2)可得

如表1中第2行第1列所示。其他各電阻R04,R06,...,R030的選擇均可根據以上公式計算(其結果為理論數值,詳見表1中第2行所示各數據)。
d.由Rr確定標稱值電阻Rb。
實際上,市售電阻的標稱值與此計算值有差別,在具體運用時,可選與之相近阻值的標稱電阻Rb,具體數值如表1中第3行所示。
e.由Rb確定各比較器A的負輸入端電位V。
當選定標稱值的電阻Rb后,再用下式驗算由此電阻產生的電位V

具體電位值如表1第4行所示,與第1行的設定值比較,只要不超過±01V即可。
f.確定各比較器正輸入端電阻R1,R2,....,R15,設為Rzh。
先求R1,設各比較器正輸入端電位為Vzh,當GK1吸合時,從表1中看出,應滿足2V<Vzh<2.4V,設Vzh=2.2V,R=20k,根據式(3),可列出:

解得Rzh=R1≈4.5kΩ這個阻值不是標稱值,選相近的標稱值電阻48k。
再求其他各電阻R2,R3,...,R15,均可用此計算,其結果為理論值,在實踐中稍有偏差,經修正后,其數值見表1中的第5行。經過這樣選擇的上述各參數,就能保證當池中水位達到最低限位、托著磁鋼的浮子沉到最低位時,磁鋼脫離所有的干簧管,LED全部熄滅;而當第1個干簧管GK1吸合時(相當池中水位達到最高限位,托著磁鋼的浮子上升到最高位)LED都點亮。在浮子處在中間某位置時,其相對應的LED及以下的LED都亮,而其上面的LED不亮,以此顯示水位。經過以上計算,得出如表1所示的具體數據。
比較器A的電位及各限位電阻
4.部件制作
需要量出蓄水池的最低水位到極限水位的高度,把此高度分為15等分段,每一分段的距離小于200mm,這個距離可以保證磁鋼總能吸合一個鄰近的干簧管,以免出現顯示斷點,即防止在運行中磁鋼既沒有吸合上面的干簧管又沒有吸合下面的干簧管,使LED的顯示全部熄滅,造成無水假象。對GK1,R1~GK15,R15的連接,先把它們分別焊到寬度小于等于20mm的小塊印刷電路板上,再用導線按間距小于等于200mm的距離連接起來,封裝在25mm的硬塑料管中,管的上下口要嚴密封固以免漏水。管子外套一個環形的磁鋼。在硬塑料管的下端墜一非鐵磁性沉重的物體后,將塑料管豎直沉入蓄水池的池底。在磁鋼下墊上環形浮子套在管上,把管的上端固定在蓄水池上面的觀察口上,由于浮子的作用,磁鋼總是懸浮在水面上,隨水面起落。注意磁鋼的平面應始終與水面平,而塑料管與水面保持垂直,以防止磁鋼在隨水位沉浮時與管壁摩擦而被卡住。
5.安裝與調試
整個裝置由兩部分組成:一是由干簧管及各分壓電阻組成的探測部分;二是由LM339組成的信號處理顯示部分。
探測部分:在封裝塑料管以前,要在管內放些硅膠,以吸收管內的濕氣,防止管內線路受潮。如用環形磁鋼做檢測元件,則串接在塑料管中的干簧管應由兩只錯開的干簧管來實現。由電磁感應理論,對磁鋼的磁力線分析可知,在磁鋼的上下口都有一小段平行于磁鋼平面的磁力線,當這一段靠近干簧管時,其磁力線的方向與干簧管的簧片方向垂直,這時雖然干簧管很靠近磁鋼,接點仍釋放斷開,這會使各LED全部熄滅。如用兩只錯開的干簧管代之,則問題即可解決,其錯開的距離可在實驗中確定。
顯示部分:各段水位以綠色510LED顯示,而極限水位則以醒目的紅色LED顯示,把各LED整齊地排列在一起,根據LED的亮或滅便會清晰地看出池中的水位。再配以蜂鳴器,則會給泵工以更明確的提醒。從池中的探測器到泵房的線路板之間,最好用屏蔽線連接,以防止干擾信號竄入,還要注意電源要穩壓。
結束語
對于由LM339組成的電壓比較器A1~A15的負輸入端電位應按一定規律設定,彼此之間的電位間隔視池深而定。如水深,其間隔可小些,選擇的段數可多些。各相鄰比較器之間電位一般相差014V,電位差如果大,電阻的選擇就容易;電位差如果小,則由于通用電阻的標稱值間隔較大,就需要用可調電阻來調整電位。當然在間隔小的情況下,彼此最小的電位差應大于10mV,否則由LM339的輸入特性決定將無法分辨彼此之間的電位。除此之外,還要考慮電源的電壓和各電阻的標稱值。
此方法還可應用于其他方面,如監測江、河、湖、海灣的水深,加油站的油高,自來水廠的水池深度等。
壹芯微科技專注于“二,三極管、MOS(場效應管)、橋堆”研發、生產與銷售,20年行業經驗,擁有先進全自動化雙軌封裝生產線、高速檢測設備等,研發技術、芯片源自臺灣,專業生產流程管理及工程團隊,保障所生產每一批物料質量穩定和更長久的使用壽命,實現高度自動化生產,大幅降低人工成本,促進更好的性價比優勢!選擇壹芯微,還可為客戶提供參數選型替代,送樣測試,技術支持,售后服務等,如需了解更多詳情或最新報價,歡迎咨詢官網在線客服!
手機號/微信:13534146615
QQ:2881579535
工廠地址:安徽省六安市金寨產業園區
深圳辦事處地址:深圳市福田區寶華大廈A1428
中山辦事處地址:中山市古鎮長安燈飾配件城C棟11卡
杭州辦事處:杭州市西湖區文三西路118號杭州電子商務大廈6層B座
電話:13534146615
企業QQ:2881579535

深圳市壹芯微科技有限公司 版權所有 | 備案號:粵ICP備2020121154號