來源:壹芯微 發布日期
2023-02-22 瀏覽:-電路中二極管工作狀態如何分析?
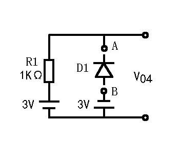
見圖1所示。
圖1 二極管工作原理
在分析二極管導通、截止時,我們一般首先將二極管拆除,分別對二極管兩端電壓進行分析,如果正極電壓大于負極電壓且高于二極管壓降0.7V,理想二極管為0V,則該二極管導通狀態;反之,則該二極管截止狀態,見圖2所示。
圖2
拿圖1來說,將二極管D1拆除后得到如下圖3所示。
圖3
將二極管拆除后,由于3V電源通過電阻R1向外輸出并且開路狀態,A點電壓為3V。B點下也連接一個3V電源的負極,正極連接地線為0V,故此B點電壓為-3V。
由于A=3V>B=-3V,所以二極管D1處于截止狀態。AB之間沒有電流,所以輸出V04輸出電壓為3V。
一樣,我們還可以拿一個比較復雜的電路進行分析。
二極管應用電路方法解析
電路如圖4所示,設運放U1是理想的,二極管導通壓降為0.7V。試求(1)VS=2V時,VA=?V0=?(2)VS=-2V時,VA=?V0=?
圖4 二極管應用
答:在分析二極管工作狀態時時,我們將圖4中的2個二極管拆除,得到如下圖5。
圖5
(1)當VS=2V時,VS通過電阻R到B,再通過R到V0,由于沒有閉合回路,所以此時B點、V0電平都為2V,如圖6①。由于運算放大器同向端接地,電平為0V,如圖6②,反向端B點電平為2V,反向端大于同向端,運算放大器輸出端輸出低電平,即A點為-VCC,如圖6③。
圖6
由于B點2V,A點-VCC,V0為2V,所以二極管D1接入后導通,D2接入后截止,如圖6④,D1導通運算放大器有負反饋,運放虛短虛斷成立,那么B點電平降為0(同向端接地,虛短),如圖6⑤,所以VS通過電阻R有電流流向B,再通過D1流向A,由于二極管壓降為0.7V,此時A點電平變為-0.7V,如圖6⑥。
所以,當VS=2V時,二極管D1導通,D2截止,VA=-0.7V,V0=2V。
(2)當VS=-2V時,同樣我們看圖7,VS通過電阻R到B,再通過R到V0,由于沒有閉合回路,所以此時B點、V0電平都為-2V,如圖7⑦。由于運算放大器同向端接地,電平為0V,如圖7⑧,反向端B點電平為-2V,反向端小于同向端,運算放大器輸出端輸出高電平,即A點為+VCC,如圖7⑨。
圖7
由于B點-2V,A點+VCC,V0為-2V,所以二極管D1接入后截止,D2接入后導通,如圖7⑩,D1導通運算放大器有負反饋,同樣運放虛短虛斷成立,那么B點電平降為0(同向端接地,虛短),如圖7?,所以B點通過電阻R電流流向VS,A點通過D2輸出V0后反饋流向B,由于2個電阻相等,電流也相等,所以此時V0電平變為+2V,如圖7⑥。由于二極管壓降為0.7V,此時A點電平變為2+0.7=2.7V,如圖7?。
所以,當VS=-2V時,二極管D1截止,D2導通,VA=2.7V,V0=+2V。
壹芯微科技專注于“二,三極管、MOS(場效應管)、橋堆”研發、生產與銷售,20年行業經驗,擁有先進全自動化雙軌封裝生產線、高速檢測設備等,研發技術、芯片源自臺灣,專業生產流程管理及工程團隊,保障所生產每一批物料質量穩定和更長久的使用壽命,實現高度自動化生產,大幅降低人工成本,促進更好的性價比優勢!選擇壹芯微,還可為客戶提供參數選型替代,送樣測試,技術支持,售后服務等,如需了解更多詳情或最新報價,歡迎咨詢官網在線客服!
手機號/微信:13534146615
QQ:2881579535
工廠地址:安徽省六安市金寨產業園區
深圳辦事處地址:深圳市福田區寶華大廈A1428
中山辦事處地址:中山市古鎮長安燈飾配件城C棟11卡
杭州辦事處:杭州市西湖區文三西路118號杭州電子商務大廈6層B座
電話:13534146615
企業QQ:2881579535

深圳市壹芯微科技有限公司 版權所有 | 備案號:粵ICP備2020121154號