來源:壹芯微 發布日期
2022-04-18 瀏覽:-TDA7294的特點及應用電路介紹|壹芯微
TDA7294是意法微電子(SGS-THOMSONMicroelectronics)在上世紀九十年代推出的AB類單片式音頻功放集成電路,一掃以往線性集成功放和厚膜集成功放生、冷、硬的音色,廣泛應用在HiFi領域,如家庭影院、有源音箱、高性能電視機等領域。
1.簡介
TDA7294是目前性能最好、功率最大的單片音頻放大器之一。它由歐洲SGS-THOMSON意法公司根據分立元件甲乙類音頻功放經典電路設計而成。其前級采用低噪聲、低失真的雙極性晶體管電路,末級采用高耐壓、大電流DMOS管緩沖輸出,故既有雙極性電路的音色純正優點,又有場效應管高壓大電流驅動輸出特點。自1998年TDA7294介紹到國內至今,許多發燒友都為TDA7294細膩、自然的音色而著迷。

圖1TDA7294
該芯片的設計具有耐高壓、低噪音、低失真度、重放音色極具親和力等特色;并且具有靜音待機功能,短路電流及過熱保護功能使其性能更完善。
2.主要特點
(1)寬電源電壓范圍:±10V~±40V
(2)高輸出功率:70W(最高可100W)
(3)待機和靜音功能
(4)無噪ON/OFF開關
(5)低噪聲和低失真
(6)短路保護和過熱保護
3.引腳配置與功能
該芯片采用15腳雙列非對稱直插封裝,圖2為TDA7294的各引腳配置圖

圖2TDA7294各引腳配置圖
引腳功能
1腳為待機端;
2腳為反相輸入端;
3腳為正相輸入端;
4腳接地;
5、11、12腳為空腳;
6腳為自舉端;
7腳為+Vs(信號處理部分);
8腳為-Vs(信號處理部分);
9腳為待機腳;
10腳為靜音腳;
13腳為+Vs(末級);
14腳為輸出端;
15腳為-Vs(末級)。
4.封裝圖
封裝形式外觀圖與封裝代號

圖3TDA7294的封裝圖
5.基本電氣參數

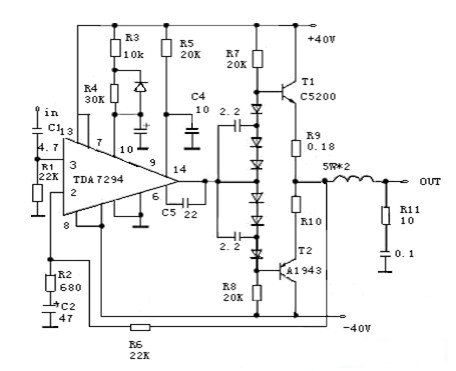
6.應用電路

圖4TDA7294標準應用電路原理圖
TDA7294標準應用電路如圖4所示,電路閉環增益為30dB,增大R3或減小R2可以提高放大器增益,反之增益下降;R4、C4決定待機時間常數,取值大時增加等待開/關時間,反之縮短時間;R5、R6、C3決定靜音時間常數,取值大時靜音時間延長,反之縮短;當控制端接低電位時為待機或靜音狀態。當控制端接Vs時,因(R5+R6)>R4,⑽腳比⑼腳后升到高電位,而關機時先變為低電位,這就使待機和關機過程均在靜音狀態下進行,保證了放大器開關機無噪聲。
深圳壹芯微科技,20年專業生產“二極管、三極管、場效應管、橋堆”等,專業生產管理團隊對品質流程嚴格管控,超過4800家電路電器生產企業選用合作,價格低于同行(20%),更具性價比,提供選型替代,送樣測試,數據手冊,技術支持,售后FEA,如需了解更多詳情或最新報價,歡迎咨詢官網在線客服!
手機號/微信:13534146615
QQ:2881579535
工廠地址:安徽省六安市金寨產業園區
深圳辦事處地址:深圳市福田區寶華大廈A1428
中山辦事處地址:中山市古鎮長安燈飾配件城C棟11卡
杭州辦事處:杭州市西湖區文三西路118號杭州電子商務大廈6層B座
電話:13534146615
企業QQ:2881579535

深圳市壹芯微科技有限公司 版權所有 | 備案號:粵ICP備2020121154號