來源:壹芯微 發布日期
2022-04-18 瀏覽:-基于TDA7294的功放電路設計介紹|壹芯微
TDA7294是歐洲著名的SGS-THOMSON意法微電子公司于90年代向中國大陸推出的一款頗有新意的DMOS大功率的集成功放電路。它一掃以往線性集成功放和厚膜集成的生、冷、硬的音色,廣泛應用于HI-FI領域:如家庭影院、有源音箱等。該芯片的設計以音色為重點,兼有雙極信號處理電路和功率MOS的優點。具有耐高壓、低噪音、低失真度、重放音色極具親和力等特色;并且具有靜音待機功能,短路電流及過熱保護功能使其性能更完善。本文將介紹幾種基于TDA7294的功放電路設計
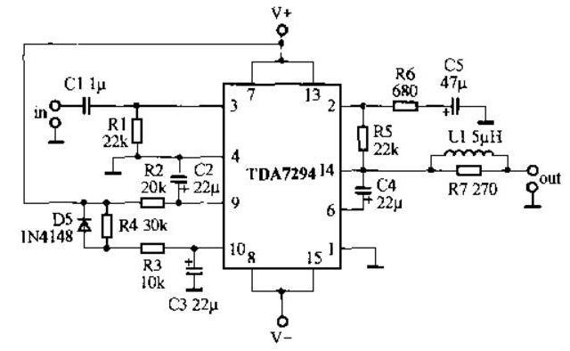
1.OOL電路
OCL電路圖見圖1,本電路是用兩片TDA7294組成的雙聲道70W功放。外圍元件少,電路簡單,當電源電壓為土35V時,在8歐負載上可獲得70W的連續輸出功率。非常適合30平方米以下的環境放音,如音箱阻抗小于8歐,電源電壓應相應降低。

圖1OCL電路圖
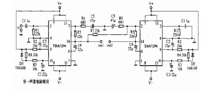
2.BTL電路
BTL電路見圖2,利用兩片TDA7294橋接組成BTL功放電路,輸出功率可達150W以上,適合歌舞廳等需要大功率的地方,立體聲時需要4塊TDA7294。當電源電壓為土25V時,在8歐姆負載上可獲得150W的連續輸出功率。當電源電為±35V時,在16歐姆負載上可獲得180W的連續輸出功率。用TDA7294作BTL功放,負載不得低于8歐姆。

圖2BTL電路圖
3.恒流功放
本功放電路與前面兩種結構有些不同,其反饋電路為電流取樣、電壓求和負反饋。這種電路結構就是人們常說的恒流功放,電路的具體分析不作詳述,只介紹與傳統恒壓功放相比后較突出的優點。
①功放輸出電流與負載阻抗無關,即使負載短路,也不會造成功放塊過熱現象。
②輸出功率隨著負載阻抗的增大而增大,在一定功率儲備之內推動揚聲器負載,可以很好地保證原來音樂信號的低音力度和高頻解析力。③作用在揚聲器音圈上的力只依賴于電流。用流控振蕩方式推動揚聲器必然要快于壓控振蕩方式,使揚聲器振動系統④輸入、輸出阻抗容易做到匹配。恒流功放電路實際上是一個受輸入信號電壓控制的受控電流源。它的內部反饋電路為電流取樣,電壓求和負反饋,具有輸入、輸出阻抗均高的特點。輸入阻抗高,正好是前級恒壓放大電路所需要的,有利于信號電壓無損失地送到功放輸入端。而輸出阻抗高,能減少
內阻對信號的分流,有利于把輸出信號電流都加在負載上。圖3中,電源電壓選擇為±35V,其放大倍數由揚聲器與R6的比值決定。

圖3恒流功放電路圖
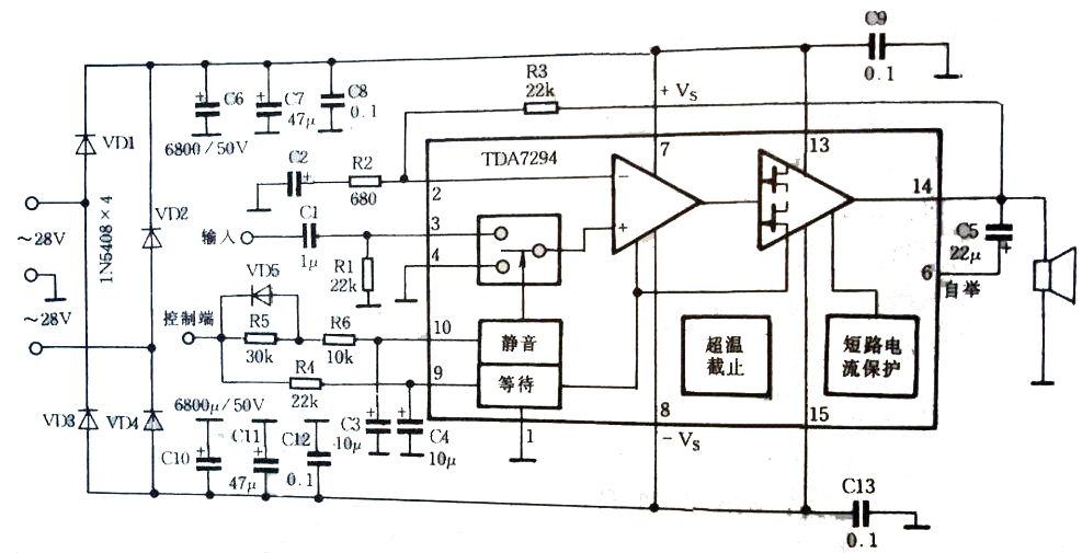
4.Hi-Fi集成功放
歐洲著名SGS-THOMSON意法微電子公司推出一款Hi—Fi大功率DMOS集成功放電路TDA7294,電路見圖4。它綜合現代功放電路最佳設計,兼具雙極信號處理電路和功率MOS的優點,具有低噪聲、低失真度特色;待機及靜音電路徹底消除了電源通斷引起的沖擊噪聲,免去揚聲器保護電路;過熱及短路電流保護等功能使其性能更加優異,該器件適用于家庭影院及Hi—Fi放大器。主要參數為:VS(電源電壓)±10~±40V(無信號最高電壓±50V);Io(輸出電流峰值)10A;Po(RMS連續輸出功率)在vs=±35V8Ω時為70W;vs=±27V4Ω時為70W;(音樂輸出功率有效值)VS=±38V8Ω時為100W;VS=±29V4Ω時為100W。

圖4Hi-Fi集成功放電路圖
圖4電路閉環增益為30dB,增大R3可提高增益,反之降低,但放大器增益應≥24dB,以R1=R3時放大器性能最佳。R7、C4和R5+R6、C3決定待機和靜音時間常數,值大則時間延長,當控制端接低電位地時為靜音和待機狀態;當控制端接vs時,因(R5+R6)》R7,⑩腳比⑨腳后升到高電位,而關機時則先變為低電位,這就使待機和關機過程均在靜音狀態下進行,保證了放大器開、關機無噪聲。

圖5BTL功放成品板
對于歌舞廳等大功率專業應用領域,可選圖5的BTL功放成品板,兩只TDA7294均配各自專業散熱器,在vs=±25V8Ω時,最大連續輸出功率達150W;在±35V16Ω時,最大連續輸出功率達170W。
我們用TDA7294標準應用電路與馬蘭士PM80及YAMAHAA-592作了聽音對比,前者為中價位Hi—Fi名機,具有甲類、甲乙類狀態切換開關,后者是三千元級具有Ac-3輸入的AV功放,音源為音樂傳真E60CD,音箱為丹拿5號。感覺TDA7294的聲音取向具有鮮明的歐洲風格,柔美、圓潤、細膩,富彈跳感,與甲乙類狀態的馬蘭士PM-80有異曲同工之妙,但PM-80處于純甲類工作時聲場更深,控制力也略勝。與YAMAHAA-592相比則區別較大,A-592的低頻似乎略有提升,感覺力度好,但較硬,線條模糊;TDA7294則甜美自然,解析力較高,真似潑墨山水與工筆花鳥,各有其無窮韻味。
5.有源低音炮功放增加待機功能
本電路是對使用集成電路TDA7294的音響電路進行改進的,電路圖如圖6所示。TDA729410腳具有靜音功能,當外部提供一直流高電平時,集成塊處于工作狀態;低電平作用時,集成塊則處于截止狀態,此時電路耗電微小,IC114腳無輸出,即“待機”形式。一般的電路都是給10腳提供高電平使其處于導通狀態,其實開發此腳功能可滿足某些特殊的工作要求。本電路就是據此使有源低音炮功放增加待機功能,其電路工作可靠、反應靈敏。

圖6有源低音炮功放增加待機功能電路圖
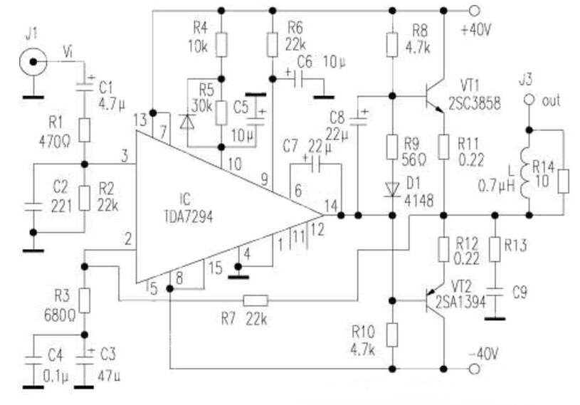
6.高保真功率放大器
電路如圖7所示,推動級采用了TDA7294,該芯片內部推動級和輸出級均使用了場效應管,用±40V供電,輸出功率可達70W(RL=8Ω;THD=0.005%),音色細膩、聽感極佳。功率輸出VT1、VT2采用山肯大功率對管2SA1394、2SC3858。
電路原理如下:信號經C1、R1輸入TDA7294正相輸入端③腳。R7和IC第②腳的R3、C3、C4構成負反饋網絡,本放大器的閉環增益約34倍。⑨、⑩腳分別是待機、靜音端,由于第⑩腳RC網絡時間常數比第⑨腳大,使得開關機均在靜音下進行,避免了開關沖擊聲,C7為自舉電容。

圖7TDA7294推動的高保真功率放大器
制作要點:
(1)TDA7294的金屬帽與散熱片之間要加絕緣云母片(金屬帽與⑧腳相通)。
(2)電源變壓器用環形300W雙20V的,50V/10000μF的濾波電容四只、50V/100μF兩只、100V/0.1μF兩只。對電源部分要單獨測試,先不接功放,測量電源正、負輸出電壓是否對稱,誤差應在0.6V以內。
(3)試機時,為安全起見,應先使用較低的電壓實驗(如±25V),不加信號,測輸出端對地直流電壓,正常應在20mV以內。
(4)由R8、R9、R10、D1組成了末級偏置電路,這種偏置使得輸出管VT1、VT2在工作時均不截止,因此靜態電流可取得較小(約5mA)。
(5)功率管要嚴格配對(3%以內)并選用正品。輸出端電阻R14采用5W無感型的,電感L則用直徑1.5mm漆包線在R14上密繞10匝而成。TDA7294使用60mm&TImes;85mm&TImes;20mm十二槽的散熱片,輸出對管則要用專業散熱片。印板上有大電流的路段要進行滾錫處理,這于放音的透明度和力度極有益處。

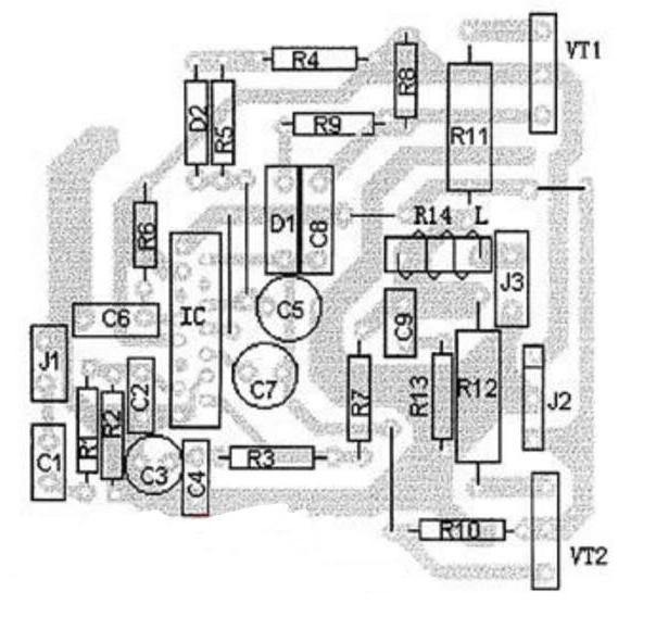
圖8TDA7294推動的功率放大器PCB
7.AB類功率放大器
TDA7294集成電路是用作高保真的音頻AB類功率放大器。它可以驅動4歐姆或8歐姆揚聲器,連接8歐姆揚聲器時將提供50瓦輸出功率,0.1%的THD。

圖9AB類功率放大器電路圖
你必須為TDA7294安裝一個足夠大的散熱器。引腳10是靜音輸入,引腳9提供了待機模式。選擇待機模式下靜音應該總是發生。該IC具有內部熱保護,在145℃導致靜音削減,在150°C放大器進入待機狀態。TDA7294集成電路散熱器內部連接到負電源軌,如果該模塊被安裝在一個接地的金屬外殼內,然后IC必須從散熱片絕緣。如果沒有,負電源軌將被短路到地。
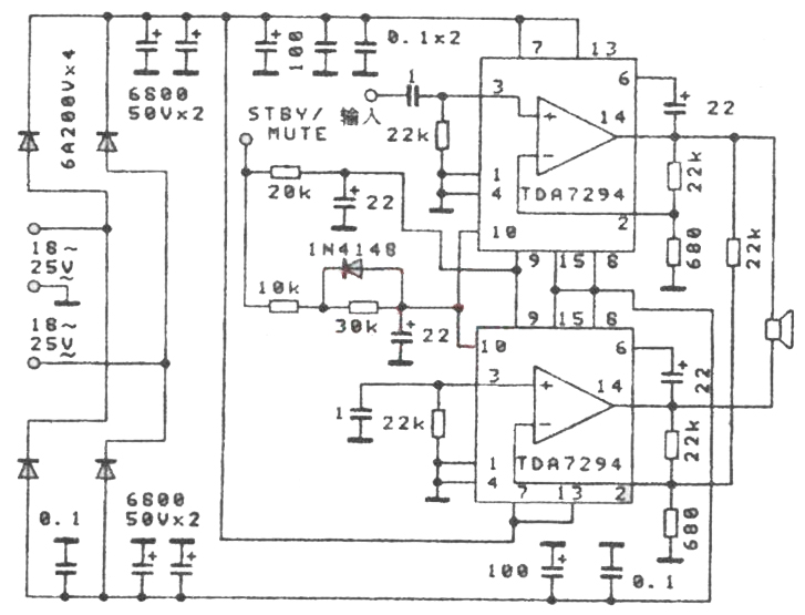
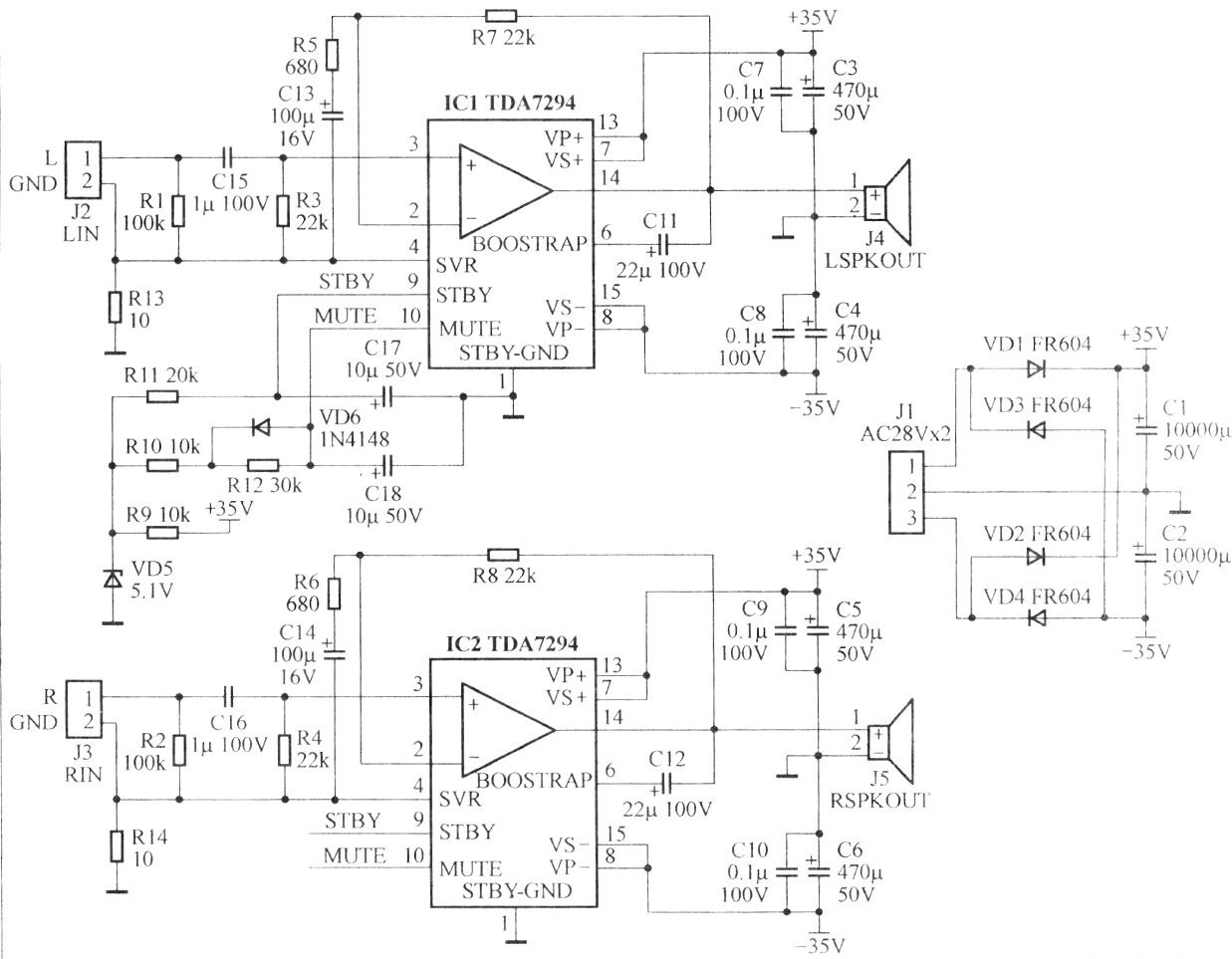
8.雙聲道功放
TDA7294大功率集成電路IC是專門為組裝高性能音頻放大器而設計的,采用兩片TDA7294就可以做成一臺功率強勁的雙聲道高保真功率放大器。電路原理如圖10所示,整體電路由兩塊TDA7294核心部件組成,外圍包括一些電阻、電容元件。兩聲道的電路幾乎是完全相同的設計,都是采用TDA7294官方發布的標準線路,接成同相放大電路,電壓增益30.5dB,輸出功率每聲道最大70W,并采用雙電源對稱方式供電電壓±35V。其中Cl5、Cl6為輸入耦合電容,原始電路中采用0.47μF,這里加大到lμF,可以改善電路的低頻響應效果,推薦采用聚丙烯材質的音頻專用電容,如WIMA的MKT4系列電容等,能大幅度改善聲音的解析度。R3、R4是輸入電阻,決定TDA7294在同相放大狀態的輸入阻抗,此處取22kΩ比較適中,取值太大固然可以減輕前級信號源的負擔,但是可能影響TDA7294的穩定性,使得輸出中點電壓漂移增大,取值太小又會影響對低頻的響應能力。反饋電阻R7、R8理論上數值應當等于輸入電阻R3、R4,這樣可以保證TDA7294輸入差動電路的偏置電流平衡,減小信號失真。反饋落地電阻R5、R6配合R7、R8設置電路增益,這里使用了反饋隔直電容Cl3、Cl4,形成交流負反饋,抑制直流電壓輸出,能起到對揚聲器的保護作用。

圖10雙聲道功放電路圖
TDA7294具有啟動靜音功能,配合外部電路實現通斷電源時的無沖擊聲效果,原理圖中的R9、R1O、R11、Rl2和Cl7、Cl8以及VD5、VD6組成外部靜音控制電路,在接通電源瞬間給TDA7294的9、10腳延時通電,實現軟啟動的作用。
電源整流濾波電路也很簡單,由4個歐速整流二極管VD1-VD4組成全橋整流電路,電容C1、C2為主濾波電容,要求采用大容量高電流音響專用濾波電容,比如ELNA的FORAUDIO系列或BHCAerovox工業等級電容。
設計
PCB一般都是業佘制作中的瓶頸,使很多優秀的原理圖沒有轉化成為實際可以用來組裝的成品PCB。這里筆者采用流行的Protel99se設計軟件繪制出了對照原理圖10的印制線路板,見圖11,采用2mm厚的FR-4板基的雙面PCB,銅箔加厚到70mm,用在大電流功放電路非常適合。整體PCB走線采用一點接地方式,有效杜絕地線干擾噪聲。在某些大電流走線還采取鍍錫措施,可以增加額外的電流通行能力。電源輸人和功率輸出結構采用大電流的螺絲接線端子,保證充足的過電流能力和反復接線的耐久性能。

圖11印制線路板
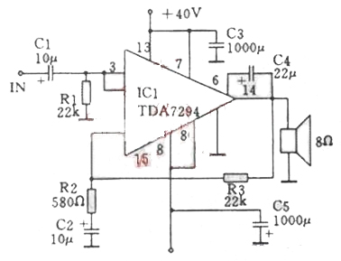
9.100W功率放大器電路

圖12TDA7294構成的100W功率放大器電路圖
圖12是由單片音響功放集成電路TDA7294構成的100W功率放大器。TDA7294內部包含前置運放、末級功放、溫度保護、短路保護、靜音控制等電路。末級采用雙極DMOS功率晶體管,具有輸出功率大、頻帶寬、失真小、通用性好等特點。該集成電路還具有完善的防過載、防短路和溫度保護電路,在芯片溫度過高時,自動切斷音頻信號,保護芯片不致燒毀。用TDA7294構成的功放電路,具有外圍電路簡單、易于制作的特點。電路輸入阻抗20k,輸入靈敏度750mV,電壓增益32dB,電源電壓范圍±(25~40)V,靜態電流50mA。當負載阻抗為8Ω時輸出功率1OOW;負載阻抗為4Ω時輸出功率可達180W。實際制作時,TDA7294應加裝足夠的散熱片。配套電源電路應有足夠的容量。如需提高電路電壓增益,可適當改變R3與R2的比值,電壓增益A=201g(R3/R2)(dB)。但不宜片面追求本級電壓增益,過高的電壓增益易引起電路自激,解決的辦法是提高前置級的電壓增益。
深圳壹芯微科技,20年專業生產“二極管、三極管、場效應管、橋堆”等,專業生產管理團隊對品質流程嚴格管控,超過4800家電路電器生產企業選用合作,價格低于同行(20%),更具性價比,提供選型替代,送樣測試,數據手冊,技術支持,售后FEA,如需了解更多詳情或最新報價,歡迎咨詢官網在線客服!
手機號/微信:13534146615
QQ:2881579535
工廠地址:安徽省六安市金寨產業園區
深圳辦事處地址:深圳市福田區寶華大廈A1428
中山辦事處地址:中山市古鎮長安燈飾配件城C棟11卡
杭州辦事處:杭州市西湖區文三西路118號杭州電子商務大廈6層B座
電話:13534146615
企業QQ:2881579535

深圳市壹芯微科技有限公司 版權所有 | 備案號:粵ICP備2020121154號